
2
BRAKE
CHAMBER
RESERVOIR
TYPICAL LQ-3
™
FRONT AXLE RATIO VALVE INSTALLATION
BRAKE
CHAMBER
BRAKE
CHAMBER
RESERVOIR
LQ-3
™
VALVE
BRAKE
CHAMBER
TEE
LQ-4
™
VALVE
TYPICAL LQ-4
™
FRONT AXLE RATIO VALVE INSTALLATION
FIGURE 3 - LQ-3
™
* BRAKE VALVE APPLICATION: 0-40 PSI
(*LQ-4
™
VALVE OPERATION SAME AS LQ-3
™
VALVE.)
Note: The pressures used here are examples only. Both
the LQ-3
™
and LQ-4
™
valves may have been supplied with
initial hold-off pressures of either 4 psi or 10 psi and equal-
ization pressures of 60 or 65 psi respectively depending
upon the vehicle installation and manufacturer’s specifica-
tion. The LQ-3
™
valve hold-off pressure depends on the
inlet-exhaust valve spring installed. The LQ-4
™
valve by
whether or not a hold-off spring is installed under the lower
piston.
OPERATION — BRAKE APPLICATION OF 40
PSI OR LESS
When a service brake application of less than 40 psi is made,
application air enters the LQ valve supply port and exerts a
force over the surfaces of the outer and inner pistons.
Because of the spring force beneath the outer piston, only
the inner piston moves. The initial delivery of air from the
brake valve forces the inner piston all the way down as shown
in Figure 3. Delivery pressure builds up under the inner
piston as shown in Figure 4 and as explained under
Operation — Balanced.
OPERATION — BALANCED
Air pressure present at the delivery port of the LQ-3
™
or
LQ-4
™
valve is also present beneath the inner piston. When
the air pressure acting on the underside of the inner piston
is approximately half of the brake valve delivered pressure,
the piston lifts, closing the inlet. The exhaust remains closed.
(See Figure 4.)
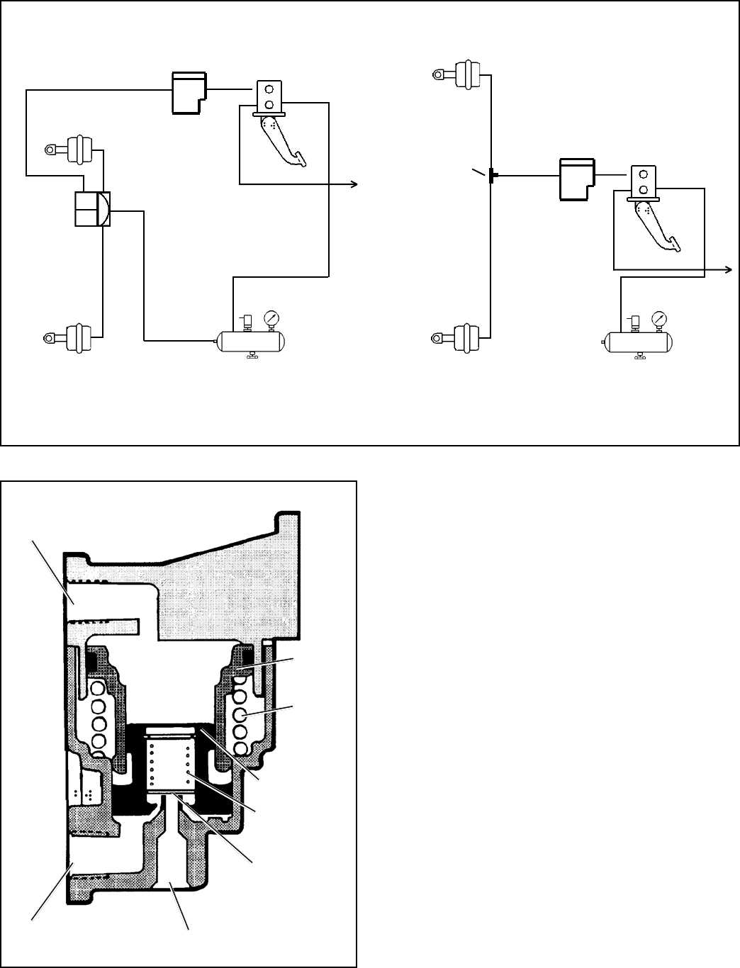
SUPPLY
DELIVERY
EXHAUST
INLET & EXHAUST
VALVE
INLET & EXHAUST
VALVE RETURN
SPRING
INNER PISTON
OUTER
PISTON
OUTER
PISTON
RETURN
SPRING
FIGURE 2 - TYPICAL INSTALLATIONS
E-6
™
/E-7
™
BRAKE
VALVE
E-6
™
/E-7
™
BRAKE
VALVE
MODULATOR
OR RELAY
VALVE
Kommentare zu diesen Handbüchern