Many
Manuals
search
Kategorien
Marken
Startseite
BENDIX
Nein
BW1670
Bedienungsanleitung
BENDIX BW1670 Bedienungsanleitung Seite 2
Herunterladen
Teilen
Teilen
Zu meinen Handbüchern hinzufügen
Drucken
Seite
/
24
Inhaltsverzeichnis
FEHLERBEHEBUNG
LESEZEICHEN
Bewertet
.
/ 5. Basierend auf
Kundenbewertungen
1
2
3
4
5
6
7
8
9
10
11
12
13
14
15
16
17
18
19
20
21
22
23
24
2
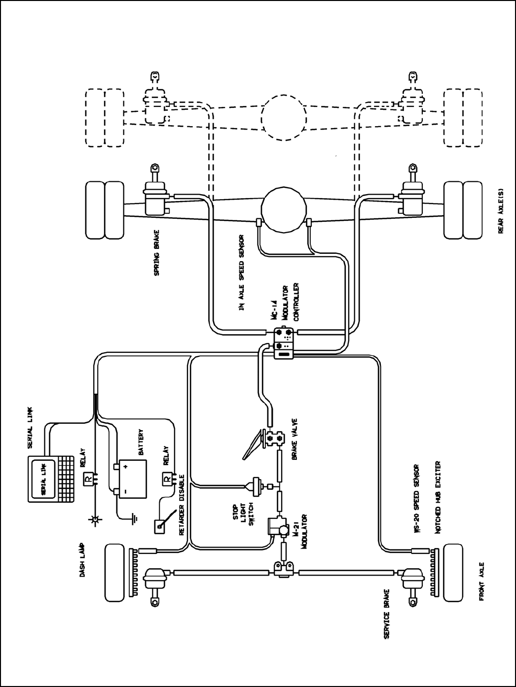
FIGURE 2 -
MC-14
™
ANTILOCK BRAKE SYSTEM
1
2
3
4
5
6
7
...
23
24
SD-13-4784
1
FIGURE 2 - MC-14
2
ANTILOCK BRAKE SYSTEM
2
INPUTS AND COMMAND OUTPUTS
3
CONTROLLER INFORMATION
3
OPERATION
5
ANTILOCK CONTROLLED BRAKE
6
ANTILOCK SYSTEM OPERATION
6
COMPONENT FAULT STRATEGY
6
• An M-12
7
FIGURE 6 - MC-14
8
ANTILOCK WIRING SCHEMATIC
8
DIAGNOSTIC LEDS
10
"FRONT" LED
10
"MID" LED
10
"REAR" LED
10
TROUBLESHOOTING
11
Kommentare zu diesen Handbüchern
Keine Kommentare
Publish
Verwandte Produkte und Handbücher für Nein BENDIX BW1670
Nein BENDIX PNU-149 Bedienungsanleitung
(109 Seiten)
Nein BENDIX TCH-001-022 Bedienungsanleitung
(3 Seiten)
Nein BENDIX BW1115 Bedienungsanleitung
(81 Seiten)
Nein BENDIX BW7543S Bedienungsanleitung
(2 Seiten)
Nein BENDIX TCH-003-025 Bedienungsanleitung
(2 Seiten)
Nein BENDIX 08-A-9 Bedienungsanleitung
(5 Seiten)
Nein BENDIX 08-A-24 Bedienungsanleitung
(4 Seiten)
Nein BENDIX TCH-001-049 Bedienungsanleitung
(1 Seiten)
Nein BENDIX TCH-006-003 Bedienungsanleitung
(1 Seiten)
Nein BENDIX PNU-096 Bedienungsanleitung
(1 Seiten)
Nein BENDIX TCH-005-015 Bedienungsanleitung
(1 Seiten)
Nein BENDIX PNU-142 Bedienungsanleitung
(10 Seiten)
Nein BENDIX TCH-020-008 Bedienungsanleitung
(1 Seiten)
Nein BENDIX TCH-001-030 Bedienungsanleitung
(2 Seiten)
Nein BENDIX 03-A-17 Bedienungsanleitung
(1 Seiten)
Nein BENDIX TCH-008-003 Bedienungsanleitung
(1 Seiten)
Nein BENDIX 03-M-01 Bedienungsanleitung
(1 Seiten)
Nein BENDIX TCH-020-007 Bedienungsanleitung
(3 Seiten)
Nein BENDIX BW2802 Bedienungsanleitung
(1 Seiten)
Nein BENDIX PNU-123 Bedienungsanleitung
(1 Seiten)
Dokument drucken
Seite drucken 2
Kommentare zu diesen Handbüchern